제품 목록으로 돌아가기
제품 소개
정밀한 속도 검출을 위한 타코미터 제너레이터로 피드백 제어 시스템에 활용됩니다. 높은 정확도와 안정성을 제공하여 정밀한 모터 제어가 필요한 다양한 산업 분야에서 사용됩니다.
- 소형, 고성능, 고신뢰성 - 컴팩트한 크기에서 뛰어난 성능과 신뢰성 제공
- 출력 전압의 리플이 작다 - 안정적인 출력 전압으로 정밀한 제어 가능
- 직선성이 우수하다 - 높은 직선성으로 정확한 속도 검출
제품 모델
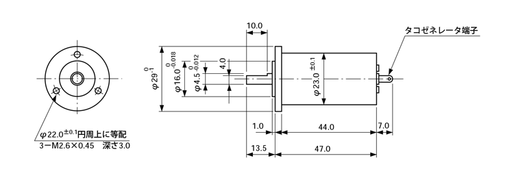
TG-234401P
출력전압 3V/1000rpm의 타코미터 제너레이터
출력전압: 3±10% V/1000rpm
외경: Ø23mm
직선성: 0.2%max
TG-234402P
출력전압 6V/1000rpm의 타코미터 제너레이터
출력전압: 6±10% V/1000rpm
외경: Ø23mm
직선성: 0.2%max
제품 사양
| 외경 | 항목 | 단위 | TG-234401P | TG-234402P | 상세 스펙 |
|---|---|---|---|---|---|
| Ø23 | 출력전압 | V/1000rpm | 3±10% | 6±10% | |
| 직선성 | % | 0.2max | 0.2max | ||
| 리플 P-P값 (테스트 회로) | % | 5max | 5max | ||
| 리플 RMS | % | 0.5max | 0.5max | ||
| 리플 주파수 | Cycle/Rev | 11 | 11 | ||
| 방향성 편차 | %max | 0.5 | 0.5 | ||
| 전기자 저항 | Ω | 90 | 280 | ||
| 인덕턴스 | mH | 0.8 | 3.3 | ||
| 전기자 관성 | g-cm² | 2.0 | 2.0 | ||
| 마찰 토크 | gf-cm | 20 | 20 | ||
| 발생전압 온도계수 | %/℃ | -0.03 | -0.03 | ||
| 절연저항 | MΩ | 10(min) | 10(min) | ||
| 주변온도 | ℃ | -10~+60 | -10~+60 | ||
| 전기자 권선 온도상승 한도 | ℃ | 130 | 130 | ||
| 축 방향 플레이 | mm | 0.1max | 0.1max | ||
| 방사 방향 플레이 | mm | 0.05max | 0.05max | ||
| 축 하중 (방사) | N | 5 | 5 | ||
| 축 하중 (축방향) | N | 2 | 2 |